Ȩ > > >
PERMATORK HC3-3J: Á¤¹Ð Á¦¾î¸¦ À§ÇÑ ±Ã±ØÀûÀÎ ¼Ö·ç¼Ç
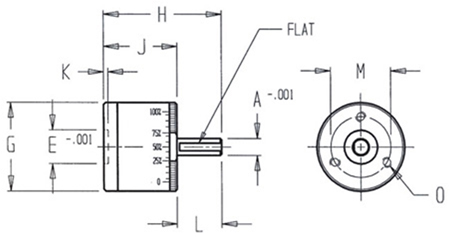
Á¦Ç° °³¿ä PERMATORK HC3-3JÀº ÃÖ÷´Ü ±â¼ú°ú Ź¿ùÇÑ ³»±¸¼ºÀ» °áÇÕÇÏ¿© °¡Àå ±î´Ù·Î¿î »ê¾÷ ȯ°æ¿¡¼µµ Á¤¹ÐÇÏ°í ¾ÈÁ¤ÀûÀÎ ÅäÅ© Á¦¾î¸¦ Á¦°øÇϵµ·Ï ¼³°èµÈ Çõ½ÅÀûÀÎ Á¦Ç°ÀÔ´Ï´Ù. ÀÌ °í±Þ À¯´ÖÀº ÀåºñÀÇ ¼ö¸íÀ» ¿¬ÀåÇϰí, ¿î¿µ È¿À²¼ºÀ» ±Ø´ëÈÇϸç, ÀϰüµÈ ¼º´ÉÀ» º¸ÀåÇÏ´Â µ¥ ÇʼöÀûÀÎ ¿ä¼ÒÀÔ´Ï´Ù.
ÁÖ¿ä Æ¯Â¡ ¹× ÀåÁ¡ Ź¿ùÇÑ Á¤¹Ðµµ: HC3-3JÀº ±Øµµ·Î Á¤È®ÇÑ ÅäÅ© ¼³Á¤À» Á¦°øÇÏ¿© °úµµÇÑ Á¶ÀÓÀ̳ª ºÎÁ·ÇÑ Á¶ÀÓÀ¸·Î ÀÎÇÑ ¼Õ»óÀ» ¹æÁöÇÕ´Ï´Ù. ÀÌ´Â ¹Î°¨ÇÑ ºÎǰ°ú Á¤¹Ð Á¶¸³ ¶óÀο¡ ƯÈ÷ Áß¿äÇÕ´Ï´Ù. °í³»±¸¼º ¼³°è: °ß°íÇÑ Àç·á¿Í Á¤±³ÇÑ ¿£Áö´Ï¾î¸µÀ¸·Î Á¦ÀÛµÈ HC3-3JÀº ±ØÇÑÀÇ ¿Âµµ, Áøµ¿ ¹× ºÎ½Ä¼º ȯ°æ¿¡¼µµ ¾ÈÁ¤ÀûÀÎ ¼º´ÉÀ» À¯ÁöÇÕ´Ï´Ù. ±ä ¼ö¸íÀº À¯Áöº¸¼ö ºñ¿ë°ú °¡µ¿ Áß´Ü ½Ã°£À» ÁÙ¿©ÁÝ´Ï´Ù. ½¬¿î »ç¿ë¼º: Á÷°üÀûÀÎ ¼³°è·Î ¼÷·ÃµÈ »ç¿ëÀÚºÎÅÍ Ãʺ¸ÀÚ±îÁö ´©±¸³ª ½±°Ô Á¶ÀÛÇÒ ¼ö ÀÖ½À´Ï´Ù. °£ÆíÇÑ ¼³Á¤ ¹× Á¶Á¤Àº ÀÛ¾÷ È¿À²¼ºÀ» ³ô¿©ÁÝ´Ï´Ù. ±¤¹üÀ§ÇÑ Àû¿ë ºÐ¾ß: ÀÚµ¿Â÷, Ç×°ø¿ìÁÖ, ÀüÀÚ, ÀÇ·á Àåºñ Á¦Á¶ µî ´Ù¾çÇÑ »ê¾÷ ºÐ¾ß¿¡¼ Ȱ¿ëµÉ ¼ö ÀÖ½À´Ï´Ù. Á¤¹ÐÇÑ ÅäÅ© Á¦¾î°¡ ÇÊ¿äÇÑ ¸ðµç °÷¿¡¼ ÃÖÀûÀÇ ¼Ö·ç¼ÇÀ» Á¦°øÇÕ´Ï´Ù. ¾ÈÀü¼º Çâ»ó: ÀûÀýÇÑ ÅäÅ© Àû¿ëÀº ºÎǰÀÇ ÆÄ¼ÕÀ» ¹æÁöÇϰí ÀÛ¾÷ÀÚÀÇ ¾ÈÀüÀ» º¸ÀåÇÕ´Ï´Ù. HC3-3JÀº ¿¹Ãø ºÒ°¡´ÉÇÑ »ç°íÀÇ À§ÇèÀ» ÁÙÀÌ´Â µ¥ ±â¿©ÇÕ´Ï´Ù. ÀϰüµÈ ¼º´É: ¹Ýº¹ÀûÀÎ ÀÛ¾÷¿¡¼µµ º¯ÇÔ¾ø´Â ÅäÅ© °ªÀ» À¯ÁöÇÏ¿© Á¦Ç° ǰÁúÀÇ Àϰü¼ºÀ» º¸ÀåÇÕ´Ï´Ù. ÀÌ´Â ´ë·® »ý»ê ¶óÀο¡¼ ƯÈ÷ Áß¿äÇÑ ¿ä¼ÒÀÔ´Ï´Ù.
±â¼ú »ç¾ç
Àû¿ë ºÐ¾ß ÀÚµ¿Â÷ Á¶¸³ ¹× Á¤ºñ Ç×°ø¿ìÁÖ ºÎǰ Á¦Á¶ Á¤¹Ð ÀüÀÚ ±â±â »ý»ê ÀÇ·á ±â±â Á¶¸³ ±â°è ¹× Àåºñ À¯Áöº¸¼ö ǰÁú °ü¸® ¹× °Ë»ç
¿Ö PERMATORK HC3-3JÀ» ¼±ÅÃÇØ¾ß ÇÒ±î¿ä? PERMATORK HC3-3JÀº ´Ü¼øÇÑ µµ±¸¸¦ ³Ñ¾î, ±Í»çÀÇ »ý»ê¼º°ú Á¦Ç° ǰÁúÀ» ÇÑ ´Ü°è ´õ ²ø¾î¿Ã¸± ¼ö ÀÖ´Â Àü·«ÀûÀÎ ÅõÀÚÀÔ´Ï´Ù. Ź¿ùÇÑ Á¤¹Ðµµ, °ß°íÇÑ ³»±¸¼º, ±×¸®°í ½¬¿î »ç¿ë¼ºÀ» ÅëÇØ ¿î¿µ ºñ¿ëÀ» Àý°¨Çϰí ÀåºñÀÇ ¼ö¸íÀ» ¿¬ÀåÇϸç, ±Ã±ØÀûÀ¸·Î ±Í»çÀÇ °æÀï·ÂÀ» °ÈÇÏ´Â µ¥ ±â¿©ÇÒ °ÍÀÔ´Ï´Ù.
¹®ÀÇ ¹× ±¸¸Å Á¤º¸ PERMATORK HC3-3J¿¡ ´ëÇØ ´õ ÀÚ¼¼ÇÑ Á¤º¸°¡ ÇÊ¿äÇϽðųª ±¸¸Å¸¦ ¿øÇÏ½Ã¸é ¾ðÁ¦µçÁö ¹®ÀÇÇØ ÁֽʽÿÀ. Àü¹®ÀûÀÎ »ó´ãÀ» ÅëÇØ ±Í»çÀÇ ¿ä±¸¿¡ °¡Àå ÀûÇÕÇÑ ¼Ö·ç¼ÇÀ» Á¦°øÇØ µå¸®°Ú½À´Ï´Ù.


|
| No | ±¸ºÐ | Á¦¸ñ | ÷ºÎÆÄÀÏ |
| 1 |
īŻ·Î±× |
ÆÞ¸¶ÅäÅ© ¸¶±×³×ƽºê·¹ÀÌÅ©(Magnetic brakes and clutch) HC3-3J |
 |
¹Ýǰ ±³È¯ ¾È³» »óǰ ºÒ·® ¹× ¿À¹è¼Û µîÀÇ ÀÌÀ¯·Î ¹ÝǰÇÏ½Ç °æ¿ì, ¹Ýǰ¹è¼Ûºñ´Â ¹«·áÀÔ´Ï´Ù. ¹Ýǰ ¹× ±³È¯Àº »óǰ ¼ö·É ÈÄ 14ÀÏ À̳»¿¡ ½ÅûÇÏ½Ç ¼ö ÀÖ½À´Ï´Ù. Áß°íÁ¦Ç°ÀÏ °æ¿ì¿¡´Â Á¦Ç° ¼³¸í°ú ´Ù¸¦ °æ¿ì ȯºÒÀ̳ª ±³È¯ °¡´ÉÇÕ´Ï´Ù. ¹æ¹® È®ÀÎ ÈÄ ±¸ÀÔÇÑ Áß°í Á¦Ç°ÀÇ °æ¿ì ¹Ýǰ ¹× ±³È¯ÀÌ ºÒ°¡´É ÇÕ´Ï´Ù.
¹Ýǰ/±³È¯/ºÒ°¡»çÀ¯ -´ÙÀ½ÀÇ °æ¿ì¿¡´Â ¹Ýǰ/±³È¯ÀÌ ºÒ°¡ÇÕ´Ï´Ù. *¹Ýǰ/±³È¯ °¡´É±â°£À» ÃʰúÇÏ¿´À» °æ¿ì *»óǰ ¹× ±¸¼ºÇ°À» Ãë±ÞºÎÁÖÀÇ·Î ÀÎÇÑ ÆÄ¼Õ/°íÀå/¿À¿°µÈ °æ¿ì *°í°´´ÔÀÇ ¿äû¿¡ ÀÇÇØ ÁÖ¹®Á¦ÀÛµÈ °æ¿ì °í°´´ÔÀÇ º¯½É¿¡ ÀÇÇÑ °æ¿ì *»óǰÀ» ¼³Ä¡ÇÏ¿´°Å³ª »ç¿ë ¶Ç´Â »óǰ ÀϺθ¦ ¼ÒºñÇÏ¿´À» °æ¿ì *°í°´´ÔÀÇ Ã¥ÀÓÀÖ´Â »çÀ¯·Î »óǰ µîÀÌ ¸ê½Ç ¶Ç´Â ÈÑ¼ÕµÈ °æ¿ì *¼Ò¸ð¼º »óǰÀ» °³ºÀ ¶Ç´Â »ç¿ëÇÏ¿´À» °æ¿ì
¹Ýǰ/±³È¯ Âü°í»çÇ× *°í°´´Ô ±ÍÃ¥»çÀ¯·Î ÀÎÇØ ¼ö°Å°¡ Áö¿¬µÉ °æ¿ì¿¡´Â ¹ÝǰÀÌ Á¦ÇÑµÉ ¼ö ÀÖ½À´Ï´Ù. *ÀϺΠ»óǰÀÇ °æ¿ì, Á¦Á¶»çÀÇ »çÁ¤(½Å¸ðµ¨ Ãâ½Ã µî) ¹× ºÎǰ °¡°Ýº¯µ¿ µî¿¡ ÀÇÇØ °¡°ÝÀÌ º¯µ¿µÉ ¼ö ÀÖÀ¸¸ç, ÀÌ·Î ÀÎÇÑ ¹Ýǰ ¹× °¡°Ý º¸»óÀº ºÒ°¡ÇÕ´Ï´Ù. *ºÀÀÎ ¶óº§ ¹× ·¦ÇÎ/ºñ´ÒÆ÷ÀåÀ» Á¦°ÅÇÑ ÈÄ¿¡´Â ¹ÝǰÀÌ ºÒ°¡ÇÕ´Ï´Ù. *ÀÚü A/S¼¾ÅͰ¡ ÀÖ´Â »óǰÀº ÇØ´ç A/S¼¾ÅÍ¿¡¼ ºÒ·®Á¦Ç° ÆÇÁ¤À» ¹ÞÀ¸½Å ÈÄ ¹Ýǰ½ÅÃ»ÇØÁֽñ⠹ٶø´Ï´Ù.
A/S¾È³» »óǰ ºÒ·®¿¡ ÀÇÇÑ ¹Ýǰ, ±³È¯, A/S, ȯºÒ, ǰÁúº¸Áõ ¹× ÇÇÇØº¸»ó µî¿¡ °üÇÑ »çÇ×Àº ¼ÒºñÀÚºÐÀïÇØ°á±âÁØ(°øÁ¤°Å·¡À§¿øÈ¸ °í½Ã)¿¡ µû¶ó ¹ÞÀ¸½Ç ¼ö ÀÖ½À´Ï´Ù.
Á¦Ç°¿¡ ±âÀçµÈ Á¦Ç°¿¡ ´ëÇÑ ¾ÈÀüÀÎÁõ¹øÈ£ ¹× A/S¿¡ ´ëÇÑ »çÇ×Àº °ü·Ã ±ÔÁ¤¿¡ µû¶ó A/S¹ÞÀ¸½Ç ¼ö ÀÖ½À´Ï´Ù.
|
»óǰÆòÀº ÁÖ°üÀûÀÎ ÀǰßÀ̹ǷΠº¸´Â »ç¶÷¿¡ µû¶ó Â÷À̰¡ ÀÖÀ» ¼ö ÀÖÀ½À» Âü°íÇϽñ⠹ٶø´Ï´Ù. ¼º°Ý¿¡ ¸ÂÁö ¾Ê´Â ±ÛÀº »èÁ¦µÉ ¼ö ÀÖ½À´Ï´Ù.
| No | Á¦¸ñ | ÀÛ¼ºÀÚ | ÀÛ¼ºÀÏ |
| µî·ÏµÈ ±ÛÀÌ ¾ø½À´Ï´Ù. |
»óǰ°ü·Ã ¹®ÀǸ¦ ³²°ÜÁÖ½Ã¸é ´äº¯ÇØµå¸³´Ï´Ù. ¼º°Ý¿¡ ¸ÂÁö ¾Ê´Â ±ÛÀº »èÁ¦µÉ ¼ö ÀÖ½À´Ï´Ù.
| No | Á¦¸ñ | ÀÛ¼ºÀÚ | ÀÛ¼ºÀÏ |
| µî·ÏµÈ ±ÛÀÌ ¾ø½À´Ï´Ù. |
|