Ȩ > > >
⚙️ ¿À±¸¶ó Ŭ·¯Ä¡ (OGURA CLUTCH) PHT1.2D ¿µ±¸ È÷½ºÅ׸®½Ã½º ÅäÅ© ÄÁÆ®·Ñ·¯
✨ Á¦Ç° °³¿ä: PHT1.2D (Permanent Hysteresis Torque Controller) ¿À±¸¶ó Ŭ·¯Ä¡(OGURA CLUTCH)ÀÇ PHT1.2D ¸ðµ¨Àº ¿ÜºÎ Àü¿ø °ø±ÞÀ̳ª ¹è¼±ÀÌ ÇÊ¿ä ¾ø´Â ¿µ±¸ ÀÚ¼®½Ä ÅäÅ© ÄÁÆ®·Ñ·¯ÀÔ´Ï´Ù. Á¤¹ÐÇÑ Àå·Â Á¦¾î ¹× ÅäÅ© Á¦ÇÑÀÌ ÇÊ¿äÇÑ ´Ù¾çÇÑ »ê¾÷ ¾ÖÇø®ÄÉÀ̼ǿ¡ ÀûÇÕÇϸç, ƯÈ÷ ºñÁ¢ÃË ±¸Á¶·Î ±ä ¼ö¸í°ú ½¬¿î À¯Áöº¸¼ö°¡ Ư¡ÀÔ´Ï´Ù. ¸ðµ¨¸í: PHT1.2D Á¦Á¶»ç: OGURA CLUTCH (¿À±¸¶ó Ŭ·¯Ä¡) ±â´É: ÅäÅ© ÄÁÆ®·Ñ·¯ (Torque Controller) ŸÀÔ: ¿µ±¸ È÷½ºÅ׸®½Ã½º (Permanent Hysteresis) ÀÛµ¿ Á¶°Ç: °Ç½Ä (Dry)
🚀 ÁÖ¿ä Æ¯Â¡ ¹× ÀåÁ¡ 1. ¶Ù¾î³ Á¤¹Ðµµ¿Í ¾ÈÁ¤¼º Á¤È®ÇÑ ÅäÅ© ¹Ýº¹¼º: ÅäÅ© Àü´ÞÀº ¿µ±¸ÀÚ¼®ÀÇ ÀÚ·ÂÀ¸·Î ÀÌ·ç¾îÁ® Ç×»ó ÀÏÁ¤ÇÑ ÅäÅ©¸¦ ÀçÇöÇÒ ¼ö ÀÖ½À´Ï´Ù. ¾ÈÁ¤ÀûÀÎ ÅäÅ© Ãâ·Â: ÁÖÀ§ ¿Âµµ º¯È ¹× ¿îÀü Áß ¹ß»ýÇÏ´Â ¹ß¿¿¡ ´ëÇÑ ÅäÅ© º¯È°¡ ±âÁ¸ Á¦Ç° ´ëºñ ÇöÀúÈ÷ Àû¾î(¾à 1/5), ³ôÀº ½Å·Ú¼ºÀ» ½ÇÇöÇß½À´Ï´Ù. ½¬¿î ÅäÅ© Á¶Á¤: ÅäÅ© Á¶Á¤ÀÌ ¿ëÀÌÇÏ°Ô ¼³°èµÇ¾î ÀÖ¾î »ç¿ë ȯ°æ¿¡ ¸ÂÃç Á¤¹ÐÇÑ ¼³Á¤ÀÌ °¡´ÉÇÕ´Ï´Ù. (°¡º¯ ÅäÅ© Á¶Á¤ ±â´É)
2. ±ä ¼ö¸í°ú ¹«º¸¼ö(Maintenance-Free) ±â°èÀû ºñÁ¢ÃË ±¸Á¶: ¸¶¸ðµÇ´Â ºÎºÐÀÌ ¾ø¾î ¹Ý¿µ±¸ÀûÀÎ ¼ö¸íÀ» ÀÚ¶ûÇϸç, À¯Áöº¸¼ö°¡ ¸Å¿ì ¿ëÀÌÇÕ´Ï´Ù. ¿¡³ÊÁö Àý¾à: ¿ÜºÎ Àü¿ø °ø±ÞÀ̳ª ¹è¼±ÀÌ ÇÊ¿ä ¾ø¾î ¿¡³ÊÁö Àý¾à È¿°ú°¡ ÀÖ½À´Ï´Ù.
3. ÃÖÀûÀÇ ¼º´É Low °ü¼º: Ç¥ÁØÇ°¿¡ ºñÇØ °ü¼ºÀÇ ¿µÇâÀ» ¾ïÁ¦ÇÑ ¼³°è·Î, ü°á·ÂÀ» ¾ÈÁ¤ÀûÀ¸·Î À¯ÁöÇÕ´Ï´Ù. ÀÚ¿¬ ³Ã°¢ (Natural Cooling): º°µµÀÇ ³Ã°¢ ÀåÄ¡ ¾øÀ̵µ ¾ÈÁ¤ÀûÀÎ ¿îÀüÀÌ °¡´ÉÇÕ´Ï´Ù.
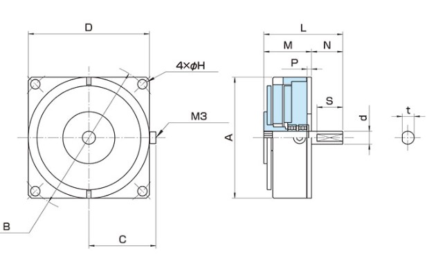
📊 ±â¼ú »ç¾ç (ÁÖ¿ä ½ºÆå)  Âü°í: À§¿¡ ¸í½ÃµÈ ÅäÅ© ¹üÀ§¿Í ¼Óµµ´Â ÀϹÝÀûÀÎ PHT ½Ã¸®ÁîÀÇ »ç¾çÀ̸ç, »ó¼¼ÇÑ ¼³°è Ä¡¼ö ¹× ¼³Ä¡ Á¤º¸´Â ¹Ýµå½Ã CAD ÆÄÀÏ ¶Ç´Â °ø½Ä ¸Å´º¾óÀ» Âü°íÇϽʽÿÀ.
💡 Ãßõ ÀÀ¿ë ºÐ¾ß PHT1.2D ¿µ±¸ È÷½ºÅ׸®½Ã½º ÅäÅ© ÄÁÆ®·Ñ·¯´Â ´ÙÀ½°ú °°Àº Á¤¹Ð Àå·Â Á¦¾î ¹× ÅäÅ© Á¦ÇÑÀÌ ÇÊ¿äÇÑ °÷¿¡ ÀÌ»óÀûÀ¸·Î »ç¿ëµË´Ï´Ù. ¿ÍÀ̾î, Çʸ§, Å×ÀÌÇÁ µîÀÇ Àå·Â Á¦¾î: Á¤¹ÐÇÑ ÅÙ¼Ç Á¦¾î°¡ ÇÊ¿äÇÑ ±Ç¼±±â, Æ÷Àå±â, Àμâ±â µî. ¼ÒÇü ¸ðÅÍ ¹× ¾×Ãß¿¡ÀÌÅÍÀÇ ÅäÅ© Á¦ÇÑ. Á¤¹Ð ±â°è ¹× ½ÃÇè Àåºñ.


|
| No | ±¸ºÐ | Á¦¸ñ | ÷ºÎÆÄÀÏ |
| 1 |
īŻ·Î±× |
¿À±¸¶ó Ŭ·¯Ä¡ (OGURA CLUTCH) PHT1.2D ¿µ±¸ È÷½ºÅ׸®½Ã½º ÅäÅ© ÄÁÆ®·Ñ·¯ |
 |
¹Ýǰ ±³È¯ ¾È³» »óǰ ºÒ·® ¹× ¿À¹è¼Û µîÀÇ ÀÌÀ¯·Î ¹ÝǰÇÏ½Ç °æ¿ì, ¹Ýǰ¹è¼Ûºñ´Â ¹«·áÀÔ´Ï´Ù. ¹Ýǰ ¹× ±³È¯Àº »óǰ ¼ö·É ÈÄ 14ÀÏ À̳»¿¡ ½ÅûÇÏ½Ç ¼ö ÀÖ½À´Ï´Ù. Áß°íÁ¦Ç°ÀÏ °æ¿ì¿¡´Â Á¦Ç° ¼³¸í°ú ´Ù¸¦ °æ¿ì ȯºÒÀ̳ª ±³È¯ °¡´ÉÇÕ´Ï´Ù. ¹æ¹® È®ÀÎ ÈÄ ±¸ÀÔÇÑ Áß°í Á¦Ç°ÀÇ °æ¿ì ¹Ýǰ ¹× ±³È¯ÀÌ ºÒ°¡´É ÇÕ´Ï´Ù.
¹Ýǰ/±³È¯/ºÒ°¡»çÀ¯ -´ÙÀ½ÀÇ °æ¿ì¿¡´Â ¹Ýǰ/±³È¯ÀÌ ºÒ°¡ÇÕ´Ï´Ù. *¹Ýǰ/±³È¯ °¡´É±â°£À» ÃʰúÇÏ¿´À» °æ¿ì *»óǰ ¹× ±¸¼ºÇ°À» Ãë±ÞºÎÁÖÀÇ·Î ÀÎÇÑ ÆÄ¼Õ/°íÀå/¿À¿°µÈ °æ¿ì *°í°´´ÔÀÇ ¿äû¿¡ ÀÇÇØ ÁÖ¹®Á¦ÀÛµÈ °æ¿ì °í°´´ÔÀÇ º¯½É¿¡ ÀÇÇÑ °æ¿ì *»óǰÀ» ¼³Ä¡ÇÏ¿´°Å³ª »ç¿ë ¶Ç´Â »óǰ ÀϺθ¦ ¼ÒºñÇÏ¿´À» °æ¿ì *°í°´´ÔÀÇ Ã¥ÀÓÀÖ´Â »çÀ¯·Î »óǰ µîÀÌ ¸ê½Ç ¶Ç´Â ÈÑ¼ÕµÈ °æ¿ì *¼Ò¸ð¼º »óǰÀ» °³ºÀ ¶Ç´Â »ç¿ëÇÏ¿´À» °æ¿ì
¹Ýǰ/±³È¯ Âü°í»çÇ× *°í°´´Ô ±ÍÃ¥»çÀ¯·Î ÀÎÇØ ¼ö°Å°¡ Áö¿¬µÉ °æ¿ì¿¡´Â ¹ÝǰÀÌ Á¦ÇÑµÉ ¼ö ÀÖ½À´Ï´Ù. *ÀϺΠ»óǰÀÇ °æ¿ì, Á¦Á¶»çÀÇ »çÁ¤(½Å¸ðµ¨ Ãâ½Ã µî) ¹× ºÎǰ °¡°Ýº¯µ¿ µî¿¡ ÀÇÇØ °¡°ÝÀÌ º¯µ¿µÉ ¼ö ÀÖÀ¸¸ç, ÀÌ·Î ÀÎÇÑ ¹Ýǰ ¹× °¡°Ý º¸»óÀº ºÒ°¡ÇÕ´Ï´Ù. *ºÀÀÎ ¶óº§ ¹× ·¦ÇÎ/ºñ´ÒÆ÷ÀåÀ» Á¦°ÅÇÑ ÈÄ¿¡´Â ¹ÝǰÀÌ ºÒ°¡ÇÕ´Ï´Ù. *ÀÚü A/S¼¾ÅͰ¡ ÀÖ´Â »óǰÀº ÇØ´ç A/S¼¾ÅÍ¿¡¼ ºÒ·®Á¦Ç° ÆÇÁ¤À» ¹ÞÀ¸½Å ÈÄ ¹Ýǰ½ÅÃ»ÇØÁֽñ⠹ٶø´Ï´Ù.
A/S¾È³» »óǰ ºÒ·®¿¡ ÀÇÇÑ ¹Ýǰ, ±³È¯, A/S, ȯºÒ, ǰÁúº¸Áõ ¹× ÇÇÇØº¸»ó µî¿¡ °üÇÑ »çÇ×Àº ¼ÒºñÀÚºÐÀïÇØ°á±âÁØ(°øÁ¤°Å·¡À§¿øÈ¸ °í½Ã)¿¡ µû¶ó ¹ÞÀ¸½Ç ¼ö ÀÖ½À´Ï´Ù.
Á¦Ç°¿¡ ±âÀçµÈ Á¦Ç°¿¡ ´ëÇÑ ¾ÈÀüÀÎÁõ¹øÈ£ ¹× A/S¿¡ ´ëÇÑ »çÇ×Àº °ü·Ã ±ÔÁ¤¿¡ µû¶ó A/S¹ÞÀ¸½Ç ¼ö ÀÖ½À´Ï´Ù.
|
»óǰÆòÀº ÁÖ°üÀûÀÎ ÀǰßÀ̹ǷΠº¸´Â »ç¶÷¿¡ µû¶ó Â÷À̰¡ ÀÖÀ» ¼ö ÀÖÀ½À» Âü°íÇϽñ⠹ٶø´Ï´Ù. ¼º°Ý¿¡ ¸ÂÁö ¾Ê´Â ±ÛÀº »èÁ¦µÉ ¼ö ÀÖ½À´Ï´Ù.
| No | Á¦¸ñ | ÀÛ¼ºÀÚ | ÀÛ¼ºÀÏ |
| µî·ÏµÈ ±ÛÀÌ ¾ø½À´Ï´Ù. |
»óǰ°ü·Ã ¹®ÀǸ¦ ³²°ÜÁÖ½Ã¸é ´äº¯ÇØµå¸³´Ï´Ù. ¼º°Ý¿¡ ¸ÂÁö ¾Ê´Â ±ÛÀº »èÁ¦µÉ ¼ö ÀÖ½À´Ï´Ù.
| No | Á¦¸ñ | ÀÛ¼ºÀÚ | ÀÛ¼ºÀÏ |
| µî·ÏµÈ ±ÛÀÌ ¾ø½À´Ï´Ù. |
|